



YZIBx Series IoT Circuit Breaker is suitable for low-voltage power grid lines with AC 50/60 Hz, rated voltage AC 230V/400V (customizable), and rated current up to 63A. The product features remote switching on/off, overload and short-circuit protection, over-voltage and under-voltage protection, over-temperature protection, electronic overload protection, phase failure protection, etc. Equipped with an RS485 communication interface, it can upload real-time data, operating status, line faults, alarms and other information to the electrical safety IoT supervision platform in a timely manner when paired with an intelligent gateway. It realizes data monitoring, hidden danger management, energy consumption management and power consumption optimization of the power distribution system, effectively enhancing the comprehensive perception ability of the lines and improving the safety and reliability of power supply.
| MODEL | YZIB3-63 YZIB5-63 | YZIB3-80 | YZIB5-100 | |
| Parameters | Pole Number | 1P, 1P+N, 3P, 3P+N | ||
| Rated Voltage Ue(V) | AC230 (1P, 1P+N), (customizable) AC400 (3P, 3P+N) (customizable) | |||
| Rated Current (A) | 6, 10, 16, 20, 25, 32, 40, 50, 63 | 70, 80 | 70, 80, 100 | |
| Rated Insulation Voltage Ui(V) | 500 | |||
| Rated Impulse Withstand Voltage Uimp (kV) | 4 | |||
| Rated Ultimate Short-Circuit Breaking Capacity | 10 | 6 | ||
| Rated Service Short-Circuit Breaking Capacity | 7.5 | 6 | ||
| Rated Operating Frequency f(Hz) | 50/60 | |||
| Release Type | Type B, Type C, Type D | |||
| Mechanical Life (Times) | 20000 | |||
| Electrical Life (Times) | 10000 | |||
| Protection Functions | Overload Delay Protection | No action within 1h (2h) when energized at 1.13In; action within 1h (2h) when energized at 1.45In; 2h for products ≥80AAction within (1~60)s when energized at | ||
| 55In and In≤32A; action within (1~120)s when In>32A | ||||
| Short-Circuit Instantaneous Protection | No action within 100ms when energized at Type B (3In), Type C (5In), Type D (10In) | |||
| Action within 100ms when energizedat Type B (5In), Type C (10In), Type D (15In) | ||||
| Electronic Overload Protection | Adjustable from 1A~1.2In, default action at 1.2In | |||
| Over-Voltage Protection | Adjustable from 240~300V, default action at 275V | |||
| Under-Voltage Protection | Adjustable from 150~200V, default action at 160V | |||
| Phase Failure Protection | For 3P+N products, the circuit breaker acts (≤1s) when any phase is missing | |||
| Over-Temperature Protection | Adjustable from 1~120℃, default action at 90℃ | |||
| Power Limitation | Adjustable from 220~1.5Pn, default action at 1.5Pn | |||
| Arc Fault Protection (Optional □) | The circuit breaker trips to protect when an arc short-circuit fault occurs | |||
| Three-Phase Unbalance Protection (Optional □) | For 3P+N products, the circuit breaker trips to protect when current is unbalanced | |||
| Remote Control | Remote Tripping | Remote control of circuit breaker tripping via Web terminal or APP | ||
| Remote Closing | Remote control of circuit breaker closing via Web terminal or APP | |||
| Measurement | Voltage | 0.7Un≤U≤1.3Un, accuracy ±0.5% | ||
| Current | Accuracy ±1.5% when I≤0.05In; accuracy ±0.75% when 0.05In<I≤0.2In; accuracy ±0.5% when 0.2In<I≤1.2In | |||
| Power | Accuracy ±2% when 0.05In≤I≤0.1In; accuracy ±1% when 0.1In<I≤1.2In | |||
| Electrical Energy | Accuracy ±2% when 0.05In≤I≤0.1In; accuracy ±1% when 0.1In<I≤1.2In | |||
| Communication | Communication Interface | RS485 (Standard Configuration) | ||
| Communication Protocol | Modbus-RTU | |||
| Communication Baud Rate | Default 9600bps, optional 2400bps, 4800bps, 9600bps | |||
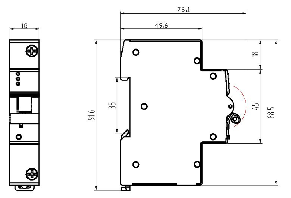
YZIB3-Dimension-Drawing
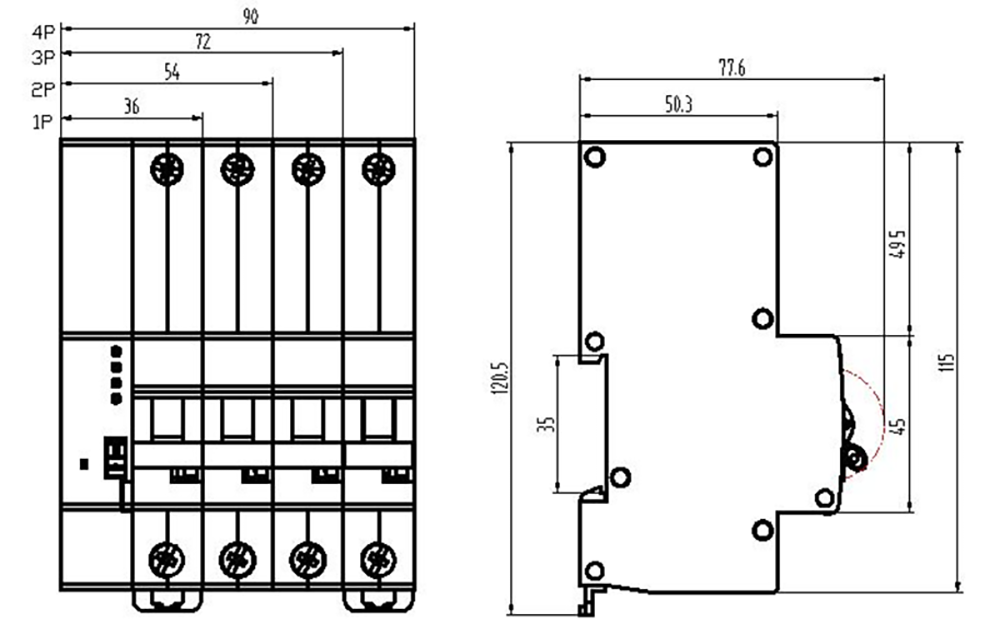
YZIB5-Dimension-Drawing
YZIB5S-Dimension-Drawing
YZIB5T-Dimension-Drawing