



The YZM5 series molded case circuit breakers have a rated insulation voltage of 1000V. They are suitable for power distribution networks with AC 50Hz, rated voltage of 400V and below, and rated current up to 1250A. Under normal conditions, the circuit breaker can be used for infrequent conversion of lines and infrequent starting of motors respectively. It protects lines against overload and short circuit, and also has protection functions against overvoltage, undervoltage and phase failure of lines.
| Model | YZM5EY-250 | YZM5EY-400 | YZM5EY-630 | |
| Pole Number | 3P/4P | |||
| Rated Voltage Ue(V) | AC400V(customizable) | |||
| Rated Current (A) | 100, 125, 140, 150, 160, 180, 200, 225, 250, OFF (adjustable in steps) | 200, 225, 250, 280, 300, 320, 350, 375, 400, OFF (adjustable in steps) | 400, 440, 460, 480, 500, 530, 560, 600, 630, OFF (adjustable in steps) | |
| Rated Insulation Voltage Ui(V) | 1000V | |||
| Rated Impulse Withstand Voltage Uimp (kV) | 8 | |||
| Rated Operating Frequency f(Hz) | 50 | |||
| Rated Ultimate Short-Circuit Breaking Capacity | 50/65KA | 50/70KA | 50/70KA | |
| Rated Service Short-Circuit Breaking Capacity | 35/65KA | 50/70KA | 50/70KA | |
| Rated Short-Time Withstand Current Icw | 10000A/1S | |||
| Electrified Operations (times) | 1000 | 1000 | 1000 | |
| Unelectrified Operations (times) | 7000 | 7000 | 4000 | |
| Protection | Overload Long-Time Protection | YZM5EY-250:Overload long-time trip setting current Ir: 100-250A (stepless adjustable, step 1A), accuracy ±10%;Time setting: 3-18S (I2t = 6(Ir)2tR), accuracy ±10%; YZM5EY-400:Overload long-time trip setting current Ir: 160-400A (continuously adjustable), accuracy ±10%;Time setting: 3-18S (I2t = 6(Ir)2tR), accuracy ±10%; YZM5EY-630:Overload long-time trip setting current Ir: 252-630A (adjustable), accuracy ±10%;Time setting: 3-18S (I2t = 6(Ir)2tR), accuracy ±10%; | ||
| Short-Circuit Short-Time Protection | Short-circuit short-time trip setting current Isd: 2-10 times Ir + OFF, accuracy ±20%;Time setting: 0.1-1.0S, accuracy ±20%; | |||
| Short-Circuit Instantaneous Protection | Short-circuit instantaneous trip setting current Ii: 2-12 times Ir + OFF, accuracy ±20%;Time setting: ≤0.2S, accuracy ±20%; | |||
| Overvoltage Protection | Overvoltage threshold Uvo setting range: 253V~286V, step 1V, operating characteristic: ≥1.0Uvo, delayed action;Operating delay setting range: 1-10S, step 1S, delay characteristic: definite time; | |||
| Undervoltage Protection | Undervoltage threshold Uvu setting range: 253V~286V, step 1V, operating characteristic: ≤1.0Uvu, delayed action;Operating delay setting range: 1-10S, step 1S, delay characteristic: definite time; | |||
| Phase Failure Protection | Phase failure protection function: When any phase (A, B, C) is missing on the power supply side of the switch, the circuit breaker trips for protection, and the operating time is ≤1s. | |||
| Remote Control | RemoteOpening | Remote opening can be commanded | ||
| Remote Closing | Remote closing cannot be commanded | |||
| Pre-Alarm | Overload Pre-Alarm | Overload pre-alarm default: 1.0Ir | ||
| Overload Pre-Alarm Characteristic | Alarm starts when I≥1.13Ir; Alarm stops when I<1.05Ir. | |||
| Measurement | Three-Phase Current | Sampling deviation ≤±2% above 0.2-1.2In; Sampling deviation ±5A below 100A. | ||
| Three-Phase Voltage | Sampling deviation ≤±2% within 0.7-1.3Un | |||
| Communication | Communication Method | RS485 | ||
| Communication Protocol | Communication Protocol for Low-Voltage Molded Case Circuit Breakers | |||
| Communication Rate | Optional: 600bps, 1200bps, 2400bps, 4800bps, 9600bps, 19200bps; Default: 9600bps | |||
| Additional Functions | Display and monitor the voltage and current of the line operation | Function of displaying and monitoring line operating current and voltage. Equipped with LCD display, which can show real-time operating status of the circuit breaker, such as current, voltage, active power, residual current, switch opening/closing status, protection setting parameters, protection, alarm, trip events, etc. | ||
| Buttons | Setting parameters, querying and displaying data | |||
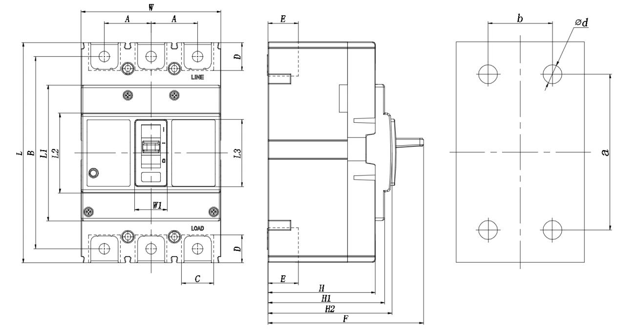
| Model & Dimensions (mm) | YZM5EY-250 | YZM5EY-400 | YZM5EY-630 | YZM5EY-800/1250 | ||||
| 3P | 4P | 3P | 4P | 3P | 4P | 3P | 4P | |
| L | 165 | 257 | 257 | 275.5 | ||||
| L1 | 102 | 150 | 150 | 150 | ||||
| L2 | 59 | 99 | 99 | 102 | ||||
| L3 | 51 | 91 | 91 | 91 | ||||
| W | 105 | 140 | 140 | 184 | 210 | 280 | 210 | 280 |
| W1 | 24 | 52 | 52 | 59 | ||||
| A | 35 | 43.5 | 43.5 | 70 | ||||
| B | 144 | 230 | 230 | 243.5 | ||||
| C | 24 | 31 | 31 | 45 | ||||
| D | 21 | 29 | 29 | 30 | ||||
| E | 22.5 | 30 | 32 | 26 | 28 | |||
| E1 | 22.5 | 29 | 31 | 26 | 28 | |||
| H | 80.5 | 97 | 97 | 97 | ||||
| H1 | 87.5 | 103 | 103 | 103 | ||||
| H2 | 93 | 109 | 109 | 109 | ||||
| F | 116 | 155 | 155 | 155 | ||||
| a | 126 | 194 | 194 | 243 | ||||
| b | 35 | 44 | 44 | 70 | ||||
| φd | 4 × Φ4.5 | 4 × Φ7 | 4 × Φ7 | 4 × Φ8 | ||||
| No. | Product Model | Terminal Width b(mm) | Terminal Inner Hole d(mm) | Terminal Hole Spacing a(mm) | Thickness c(mm) |
| 1 | YZM5EY-250 | 20 | Φ9 | – | 5.0 |
| 2 | YZM5EY-400 | 28 | Φ11 | – | 6.0 |
| 3 | YZM5EY-630 | 40 | Φ13 | 12 | 8.0 |
| 4 | YZM5EY-800 | 40 | Φ13 | 12 | 10.0 |
| 5 | YZM5EY-1250 | 44 | Φ11 | 12 | 20.0 |